Product Categories

G系列或MARCROY計量泵適用于化學品投加、水處理和污水處理廠、工業過程、農業等多種應用。這些泵性能可靠,能投加多種化學劑,如氯化鐵、硫酸鋁、高分子聚合物、堿···
微信掃碼咨詢0512-55253900
G系列或MARCROY計量泵適用于化學品投加、水處理和污水處理廠、工業過程、農業等多種應用。這些泵性能可靠,能投加多種化學劑,如氯化鐵、硫酸鋁、高分子聚合物、堿金屬、氫氧化鈉、酸、防垢和防泡劑以及其他凝固/絮狀物、泥水處理、pH控制和調節和脫鹽。

主要性能參數:
單頭最大流量 : 1800L/H,最高排出壓力 : 12bar
調節比 10:1, 穩態精度±2% ,吸入提升高度可達 3米水柱
最大入口壓力為 2bar,允許物料的最高溫度為 40℃
主要特征:
液力端:機械驅動隔膜, 物料側無隔膜護盤, 便于物料通過
PVC、 PVDF、 316SS 、 高粘度、 漿料等多種泵頭材質,
適合各種物料自清洗單向閥結構
驅動端:
可變偏心機構調節, 確保流量脈動平緩變化增強型結構設計, 適合苛刻運行環境
耐磨球軸承, 使工作更穩定油浴潤滑, 驅動部件工作壽命長
在停機或運行狀態下均可流量調節, 調節方式可選手動、 電動或變頻
控制方式:
電動沖程控制器:接受外部控制信號, 調節沖程長度
供電電源 : 220V-50Hz-單相
輸入信號 : 4-20mA模擬信號
輸出信號 : 4-20mA/1-5V模擬信號、 供記錄顯示和控制系統使用
變頻控制器: 接受外部控制信號, 調節沖程速度
供電電源 : 220V-50Hz-單相 /380V-50Hz-三相
輸入信號 : 4-20mA模擬信號
馬達控制器, 以 “開 /停 "方式控制三相電機, 調節輸出流量
供電電源 : 200-240V/50/60Hz/單相
控制方式 : 可接受 4-20mA模擬信號、 外部脈沖信號或手動調節
主要應用:市政、 工業水與廢水、 泳池等各種水處理過程

附件:
提供系統所需附件如 : 過濾器、 校正柱、 緩沖器、 安全閥和背壓閥等, 其中安全閥為必選項。(GM0002~GM0050范圍 PVC/PVDF泵頭的泵, 隨計量泵提供注射閥、 腳閥、 配重和 6米軟管, 高粘度泵頭除外)
標準配置電機性能參數:
供電電源 : 380V-50Hz-三相 /220V-50Hz-單相
防護等級 : IP55
絕緣等級 : F級
米頓羅GM系列機械隔膜泵型號表:
| 型號 | 流量 (L/H) | 壓力 (Bar) | 電機功率 | 泵頭材質 |
| GM0002 | 2.25 | 12 | 0.25KW | PVC/PVDF/316不銹鋼等 |
| GM0005 | 4.5 | 12 | ||
| GM0010 | 9 | 12 | ||
| GM0025 | 22 | 12 | ||
| GM0050 | 44 | 10 | ||
| GM0090 | 85 | 7 | ||
| GM0120 | 120 | 7 | ||
| GM0170 | 170 | 7 | ||
| GM0240 | 240 | 7 | ||
| GM0330 | 315 | 5 | 0.25KW 或 0.37KW | |
| GM0400 | 400 | 5 | ||
| GM0500 | 500 | 5 |
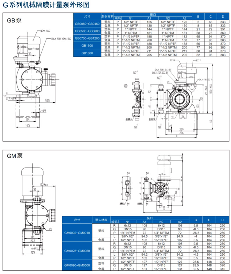
米頓羅GB系列機械隔膜泵型號表:
| 型號 | 流量 (L/H) | 壓力 (Bar) | 電機功率 | 泵頭材質 |
| GB0080 | 82 | 10 | 0.55KW 或 0.75KW | PVC/PVDF/316不銹鋼等 |
GB0180 | 167 | 10 | ||
GB0250 | 237 | 10 | ||
GB0350 | 334 | 10 | ||
GB0450 | 416 | 10 | ||
GB0500 | 464 | 7 | ||
GB0600 | 583 | 7 | ||
GB0700 | 656 | 3.5 | ||
GB1000 | 946 | 3.5 | ||
GB1200 | 1200 | 3.5 | 0.75KW | |
| GB1500 | 1500 | 3 | ||
GB1800 | 1800 | 3 |
PVC PVDF 316SS不銹鋼
GM0002PR1MNN GM0002TP1MNN GM0002SP1MNN
GM0005PR1MNN GM0005TP1MNN GM0005SP1MNN
GM0010PR1MNN GM0010TP1MNN GM0010SP1MNN
GM0025PR1MNN GM0025TP1MNN GM0025SP1MNN
GM0050PR1MNN GM0050TP1MNN GM0050SP1MNN
GM0090PQ1MNN GM0090TP1MNN GM0090SP1MNN
GM0120PQ1MNN GM0120TP1MNN GM0120SP1MNN
GM0170PQ1MNN GM0170TP1MNN GM0170SP1MNN
GM0240PQ1MNN GM0240TP1MNN GM0240SP1MNN
GM0330PQ1MNN GM0330TP1MNN GM0330SP1MNN
GM0400PQ1MNN GM0400TP1MNN GM0400SP1MNN
GM0500PQ1MNN GM0500TP1MNN GM0500SP1MNN
GB0080PP1MNN GB0080TP1MNN GB0080SP1MNN
GB0180PP1MNN GB0180TP1MNN GB0180SP1MNN
GB0250PP1MNN GB0250TP1MNN GB0250SP1MNN
GB0350PP1MNN GB0350TP1MNN GB0350SP1MNN
GB0450PP1MNN GB0450TP1MNN GB0450SP1MNN
GB0500PP1MNN GB0500TP1MNN GB0500SP1MNN
GB0600PP1MNN GB0600TP1MNN GB0600SP1MNN
GB0700PP1MNN GB0700TP1MNN GB0700SP1MNN
GB1000PP1MNN GB1000TP1MNN GB1000SP1MNN
GB1200PP4MNN GB1200TP4MNN GB1200SP4MNN
GB1500PP4MNN GB1500TP4MNN GB1500SP4MNN
GB1800PP4MNN GB1800TP4MNN GB1800SP4MNN



