Product Categories

產品型號說明:6662XX-XXX-C產品特點泵的結構是厚壁注塑,強固耐用;泵體采用鑄鐵或者鋁合金材質,在極其污濁的工藝應用場合和環境中也具有整體耐用性和防腐蝕···
微信掃碼咨詢0512-55253900

產品型號說明: 6662XX-XXX-C

泵的結構是厚壁注塑,強固耐用;泵體采用鑄鐵或者鋁合金材質,在極其污濁的工藝應用場合和環境中也具有整體耐用性和防腐蝕性!!
高效 - 空氣馬達具有Simul-Shift? 閥門技術,提供了正確可靠的換向信號可避免停機
可靠 - ARO設計的“不平衡閥”確保泵在運行中不會死機
便捷 - 多種尺寸口徑適合您的不同使用需求。個別泵型配有法蘭、螺紋以及岐管設計。
安全環保 - 全螺栓結構,提供安全的無泄漏的流體操作
易維護 - 球閥和端蓋設計,容易拆卸和重新安裝。
(空氣段)維修服務包637161-XX-C
(空氣段)維修服務包637118-C
空氣管路連接服務包|服務包零件號66073-2 服務包包括:過濾器/調壓閥,帶有壓力表、管螺紋接套和一段5英尺的空氣軟管
法蘭連接服務包|服務包零件號:67078 法蘭由玻璃充填聚丙烯構成。螺栓、墊圈和螺母為不銹鋼。密封墊片為4401克林格合成纖維外包丁腈橡膠
倒數式配料計量器 67072
循環次數計數器66975
聚丙烯
聚偏氟乙烯
氟橡膠
特氟隆/山道橡膠背襯
杜邦聚酯彈性體
山道橡膠
丁腈橡膠
醫用山道橡膠
氯丁橡膠
E.P.R.
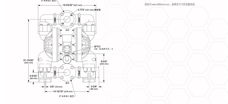
尺寸及流量曲線圖:


ARO氣動隔膜泵非金屬型泵型號大全:
英格索蘭氣動隔膜泵適用場合及優點:
1、適用于危險物料的輸送,如貴重液體、高風險、高腐蝕性及其他危險物料的輸送。該泵的氣動隔膜泵沒有動態密封結構,它與外界完全隔離,不泄漏;
2、適用于在易燃易爆環境中各種液體的傳輸,因為在羅羅的氣動隔膜泵不用于產生電火花而不產生熱量。
3、適用于貴重液體、高風險、高腐蝕性等危險物料的運輸,由于英格索蘭隔膜泵的固定密封結構,完全與外界隔離,無泄漏;
4、適用于油田、礦山、建筑工地、固體廢水、無堵塞、無過載、無泄漏等危險工作條件。
5、適用于無基礎、小面積、靈活易安裝、經濟適用的便攜式、便攜場合輸送各類物料。
6、適用于高純度和高清潔的物料,因為不需要潤滑,不需要潤滑,不需要潤滑劑來污染物料。如醫藥中間體、產品、實驗室代理等。
7、適用于不穩定化學特性的流體輸送,因其極低的剪切力。如輸送光敏材料、絮凝體等。
8、適用于板架和翼式壓濾機的喂料泵。
性能優點:
1、最大流量+最小脈動和氣體消耗=最佳性能;
2、螺栓結構連接,材料選擇范圍寬,使流體的相容性和防泄漏達到最大;
3、模塊化結構,減少零件的數量,使維護更容易,減少維護時間和成本;
4、沒有火花可以在接地后產生,工作中沒有產生熱量,機器不會過熱;
5、易于操作,英格爾-蘭德氣動隔膜泵可以自我吸入,它可以調節壓力或流體壓力以滿足不同的流量要求。
6、材料的剪切力很低:工作中的抽吸力是怎樣產生的,所以材料的攪動是最小的,適合于不穩定材料的傳遞。
7、英格索蘭氣動隔膜泵有一個獨特的設計空氣閥,沒有死點。排氣口不會結冰。
代理商介紹:
蘇州瑞晟茂環保設備有限公司是美國英格索蘭ARO氣動隔膜泵公司在中國正式授權的代理商。ARO英格索蘭氣動隔膜泵有不銹鋼、鋁合金、塑料及純特氟龍等材質的泵體,特氟龍,山道橡膠和一般橡膠等膜片,口徑范圍從2分至3寸;流量范圍18升至1040升每分鐘。有關的技術參數及價格,歡迎廣大客戶致電0512-57664099

代理證書:


公司優勢:
1、代理英格索蘭氣動隔膜泵7年,從不賣假貨,讓您遠離行業大坑
2、常規產品庫存足,型號品類齊全,滿足客戶應急使用
3、公司自成立以來65%的客戶都來自老客戶轉介紹
4、我們的售后連續5年沒有客戶投訴
5、發貨時間快同行2倍